ИОЭ-35-420-00С.УХЛ2

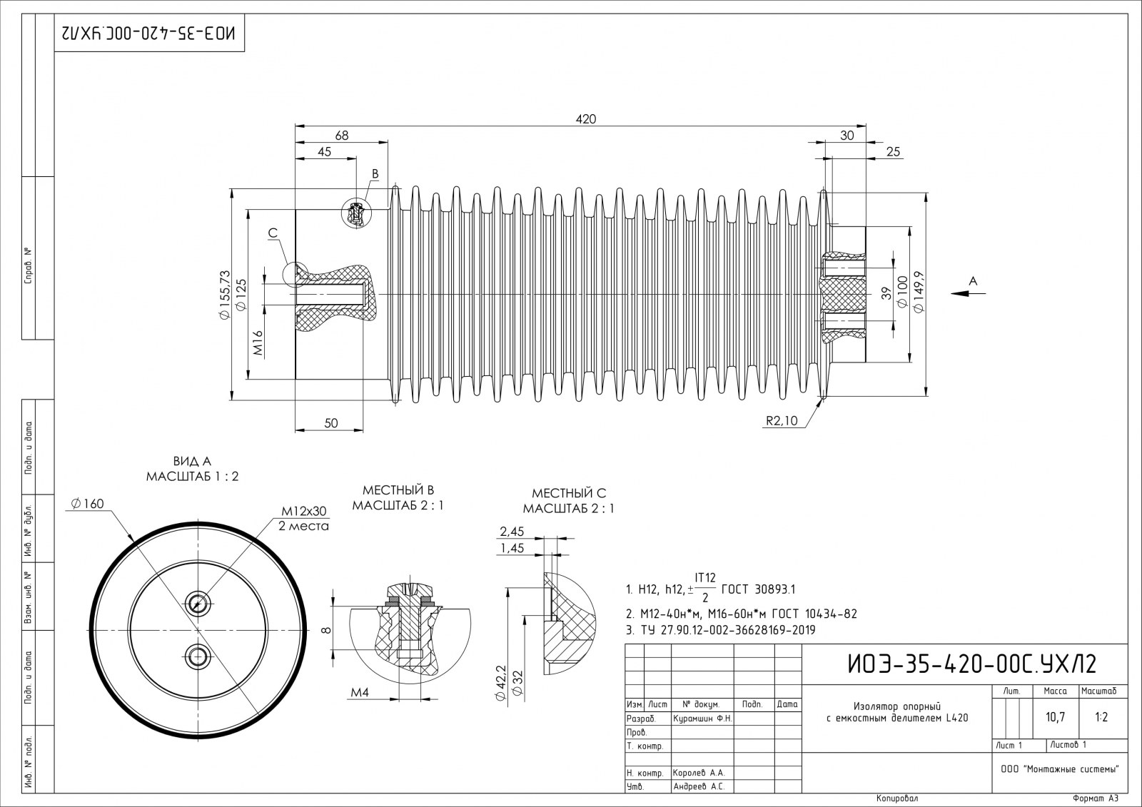
1. Номинальная высота, мм - 420
2. Внешний диаметр, мм - 160
3. Емкость конденсатора, пФ - 115

Изолятор опорный с емкостным делителем из эпоксидного компаунда , тип: ИОЭ-35-420-00С.УХЛ2 предназначен для жесткого крепления и изоляции токоведущих частей в электротехнических устройствах КРУ или КСО Изолятор, оснащен емкостным делителем, позволяющим контролировать наличие или отсутствие напряжения между шиной и корпусом устройства.

Обратная связь

Оставьте заявку и мы свяжемся Вами в самое ближайшее время