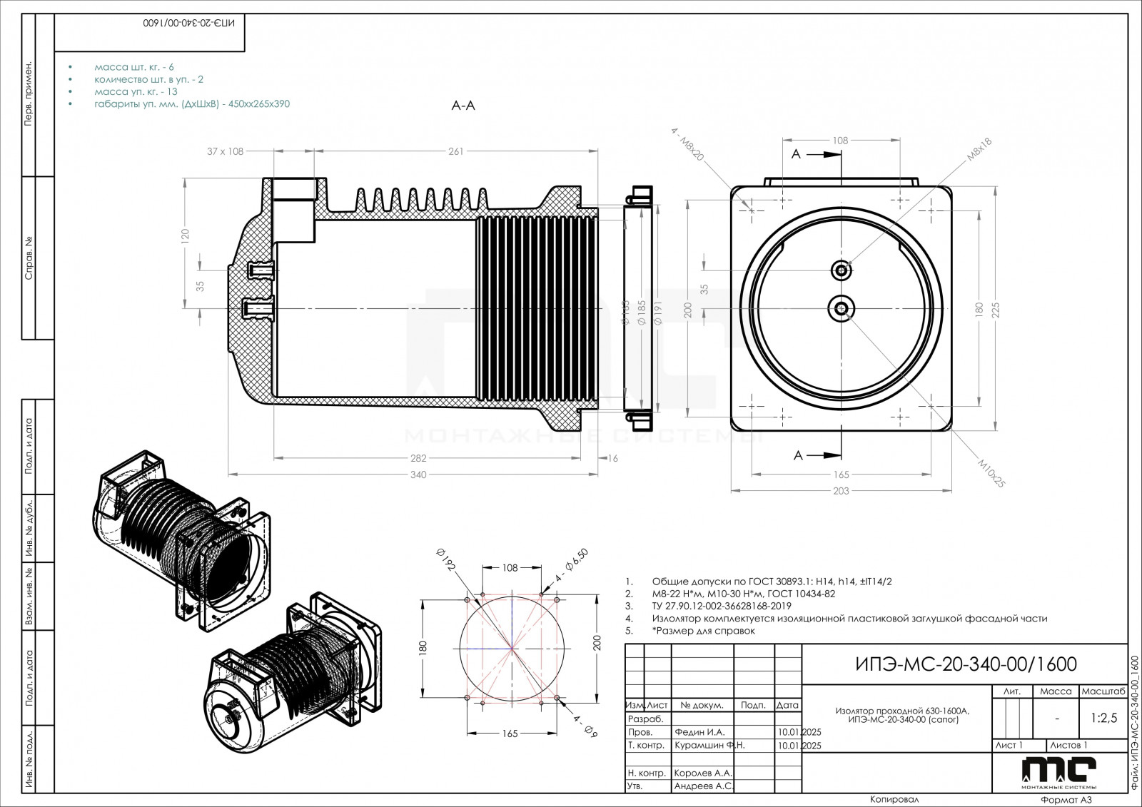
ИПЭ-МС-20-340-00/1600

Изолятор проходной ИПЭ-МС-20-340-00, используется в ячейках КРУ 20 кВ, служит для изоляции неподвижного контакта, с одной стороны, и изоляции магистральной шины, подходящей к нему с другой стороны.
Устанавливается на задней стенке модуля выкатного элемента КРУ 20 кВ.

Обратная связь

Оставьте заявку и мы свяжемся Вами в самое ближайшее время