ИПЭ-МС-10-250-16/1600

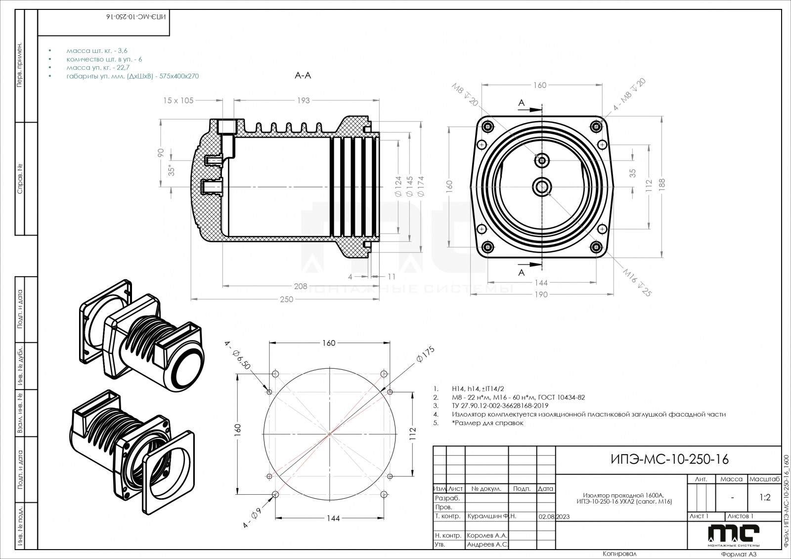
Изолятор проходной 1600А, ИПЭ-МС-10-250-16 УХЛ2 (сапог, М10) служит для изоляции неподвижного контакта 1600A, с одной стороны, а с другой для изоляции магистральной шины, подходящей к нему.
Устанавливается на задней стенке модуля выкатного элемента КРУ 6-10 кВ.
Аналог: Изолятор проходной Д 1-75-1600.

Обратная связь

Оставьте заявку и мы свяжемся Вами в самое ближайшее время