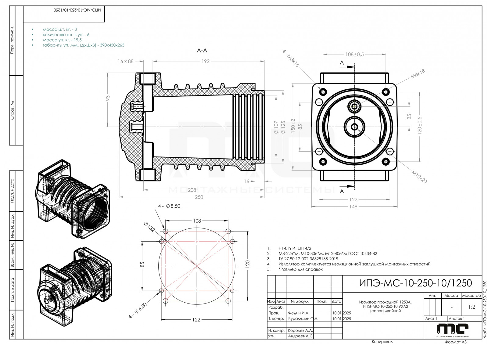
ИПЭ-МС-10-250-10/1250

Технические характеристики:
Номинальное рабоче напряжение, кВ - 10
Наибольшее рабочее напряжение, кВ - 12,5
Напряжение полного грозового импульса, кВ - 72
Кратковременное (одноминутное) напряжение, кВ - 42
Минимальная разрушающая сила на изгиб, кН - 8
Класс стойкости к нагреву по ГОСТ 8865 - Е

Обратная связь

Оставьте заявку и мы свяжемся Вами в самое ближайшее время