ИПЭ-МС-10-305-00/2500

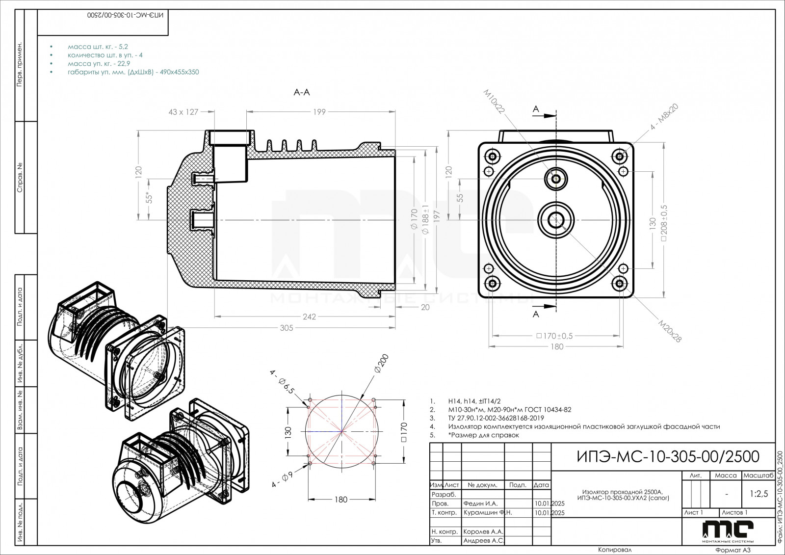
Изолятор проходной ИПЭ-МС-10-305-00/2500 служит для изоляции неподвижного контакта 2500А, с одной стороны, а с другой для изоляции магистральной шины, подходящей к нему.
Устанавливается на задней стенке модуля выкатного элемента КРУ 6-10 кВ.
Аналог: Изолятор проходной Д 1-75-2000.

Обратная связь

Оставьте заявку и мы свяжемся Вами в самое ближайшее время