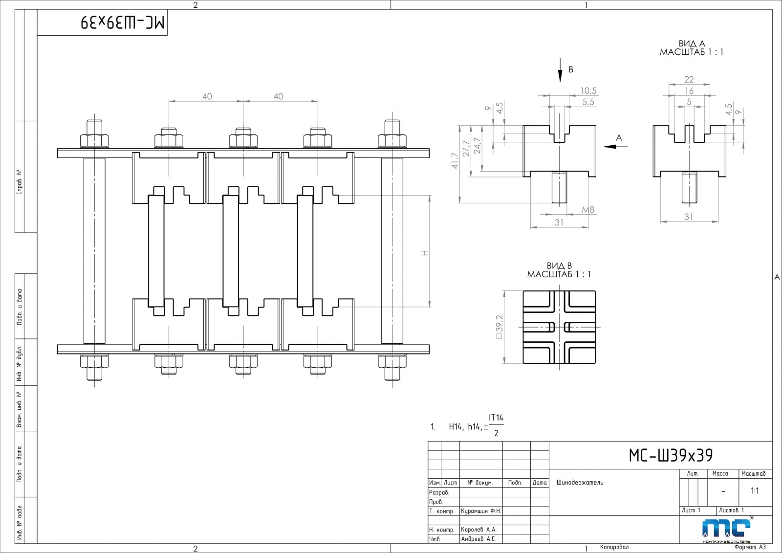
Шинодержатель, тип: МС-Ш39х39

Шинодержатель, тип: МС-Ш39х39, предназначен для жесткого крепления и изоляции токоведущих элементов (шин) комплектного распределительного или другого устройства на номинальное напряжение до 10кВ переменного тока частотой 50 Гц.

Основные технические характеристики:
1. Номинальное напряжение, кВ - 10;
2. Номинальный ток, А - 3150;
3. Номинальный ударный ток Ipk, kA - до 220;
4. Номинальный кратковременно допустимый ток Ipk, kA - до 100;
5. Толщина шины, мм - 5, 8, 10;
6. Срок службы, лет - 30.
Обратная связь

Оставьте заявку и мы свяжемся Вами в самое ближайшее время