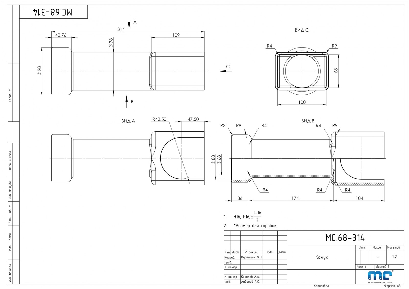
Кожух силиконовый, тип: МС.68-314

Основные технические характеристики:
1. Материал - силиконовая резина
2. Условная прочность при растяжении, не менее 6 МПа.
3. Относительное удлинение при разрыве, не менее 300%.
4. Твердость, не менее 55 - 65 ед. Шор А.
5. Сопротивление раздиру, не менее 12 кН/м.
6. Рабочий диапазон температур -50..+240 С.
7. Трекингостойкость - класс 1В 3,5 или 1В 4,5.
8. Диэлектрическая прочность - не менее 10кВ/мм.
9. Срок службы - не менее 30 лет.
10. Стойкость к химическим средам# :
10.1. Жидкость: вода, в т.ч. морская, глицерин;
10.2. Газ: аммиак, кислород, озон, двуокись азота;
10.3. Соли: карбонат натрия, сульфат меди, хлорид железа, хлорид натрия;
10.4. Растворители: перекись водорода, этиленгликоль, этиловый спирт, ацетон.

Обратная связь

Оставьте заявку и мы свяжемся Вами в самое ближайшее время