Основные технические характеристики:
1. Номинальный ток, А - 630-1000
2. Внешний диаметр, мм - 47
3. Длина, мм - 51
4. Количество ламелей, шт - 8
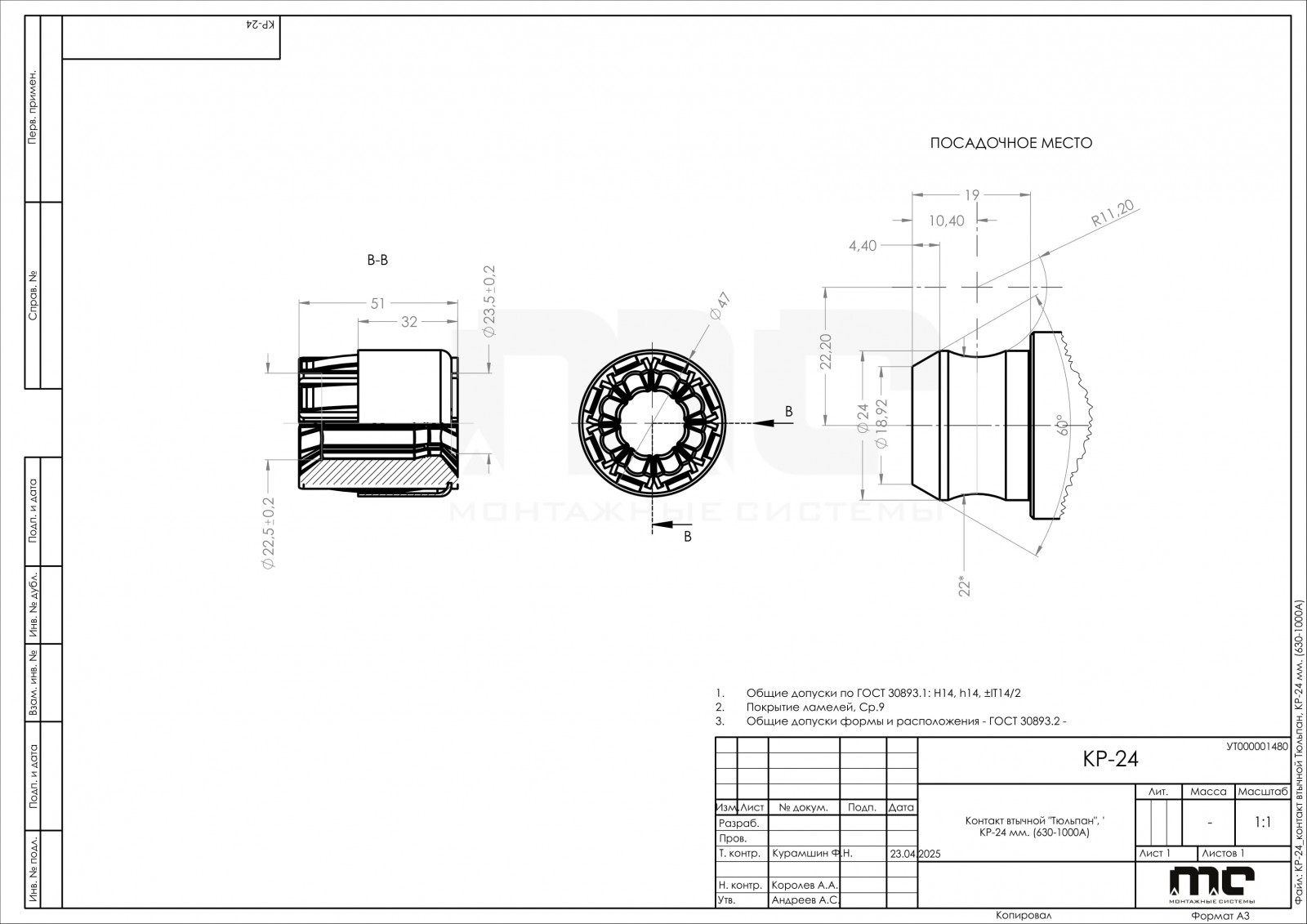
Основные технические характеристики:
1. Номинальный ток, А - 630-1000
2. Внешний диаметр, мм - 47
3. Длина, мм - 51
4. Количество ламелей, шт - 8