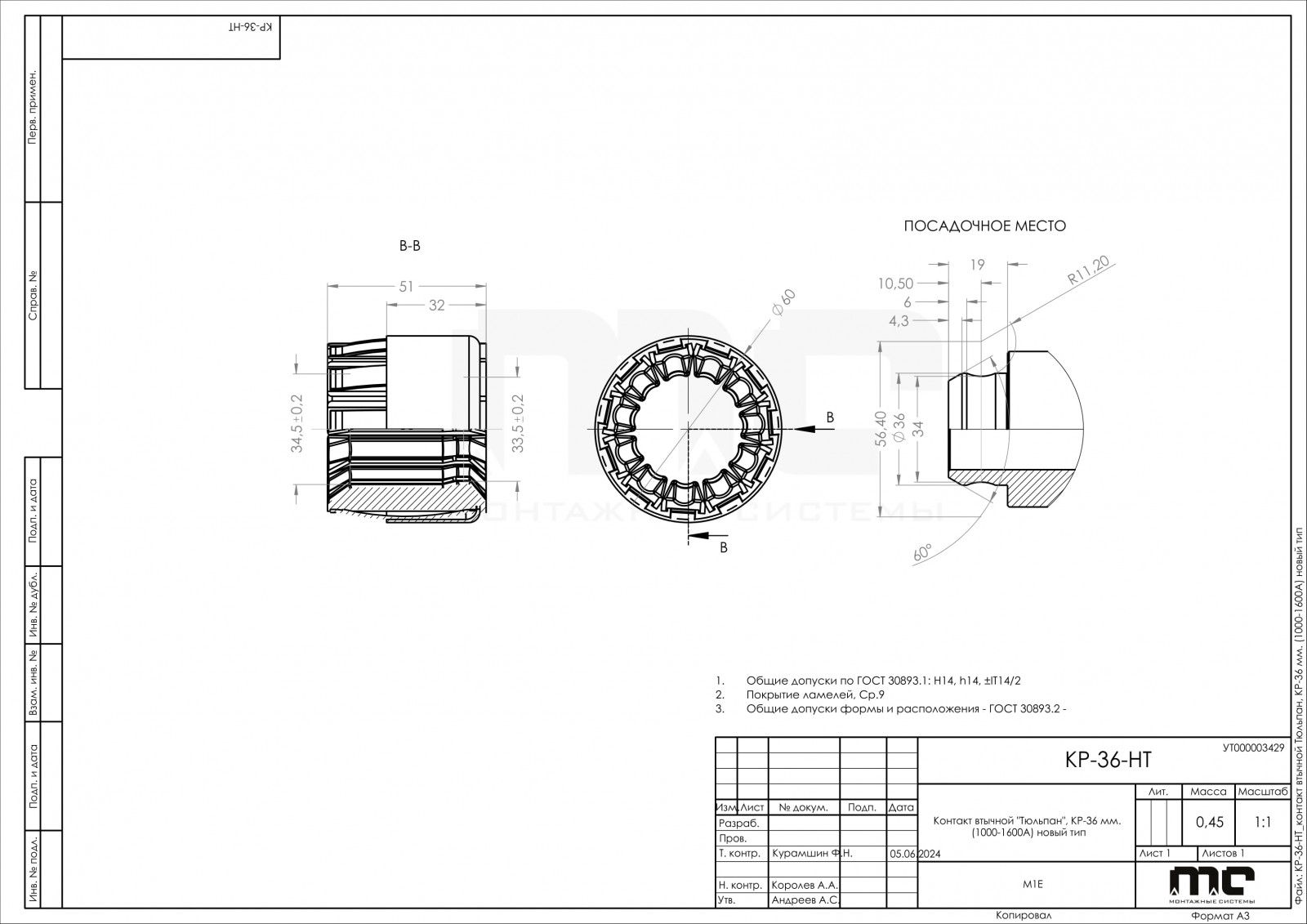
Основные технические характеристики:
1. Номинальный ток, А - 1000-1600
2. Внешний диаметр, мм - 60
3. Длина, мм - 51
4. Количество ламелей, шт - 11
Основные технические характеристики:
1. Номинальный ток, А - 1000-1600
2. Внешний диаметр, мм - 60
3. Длина, мм - 51
4. Количество ламелей, шт - 11