Поставка и наладка электротехнического оборудования
Адрес:
Беларусь, г. Минск, ул. Киселева 55, офис 11
Телефон:
+375 (17) 354-66-05
+375 (29) 766-00-77
Меню
Главная
О нас
Каталог
Оборудование высоковольтное
Силовые трансформаторы
Реакторы
Высокоомные резисторы
Измерительные трансформаторы
Изоляторы опорно-стержневые
Элегазовые выключатели 35-330кВ
Оборудование низковольтное
Низковольтные комплектные устройства 0,4кВ
Система оперативного постоянного тока (ЩПТ, ШРОТ)
Комплектующие для систем постоянного оперативного тока
Шкаф оперативного постоянного тока ШОПТ (ШОТ 220в, ШОТ 24в)
Шкаф ЗВУ
Запасные части к генераторам
Запасные части для турбогенераторов
Бандажные кольца
Комплектующие для ячеек КСО и КРУ 6-35 кВ
Коммутационные аппараты
Тележки для вакуумного выключателя
Заземлители РВЗ и аксессуары к ним
Шторочные механизмы
Контактная система вакуумного выключателя
Эпоксидные изоляторы 6-10 кВ
Распределительные устройства с газовой изоляцией
Кнопки
Арматура светосигнальная
Клеммы на DIN-рейку
Мониторинг и контроль работы КРУ
Комплектующие кабельного отсека
Освещение кабельного отсека и блока релейной защиты
Терморегуляторы
Фурнитура для электротехнических шкафов
Нагревательные элементы
Вентиляторы и фильтры
Кулачковые переключатели
Комплектующие
Эпоксидные изоляторы 20-35 кВ
Выкатные элементы КРУ
Запасные части к масляным выключателям
Промышленные фильтры
Фильтры HiFi
Кабельные муфты
Наши клиенты
Контакты
...
Главная
\
Каталог
\
Комплектующие для ячеек КСО и КРУ 6-35 кВ
\
Тележки для вакуумного выключателя
\
Комплектующие аппаратной тележки
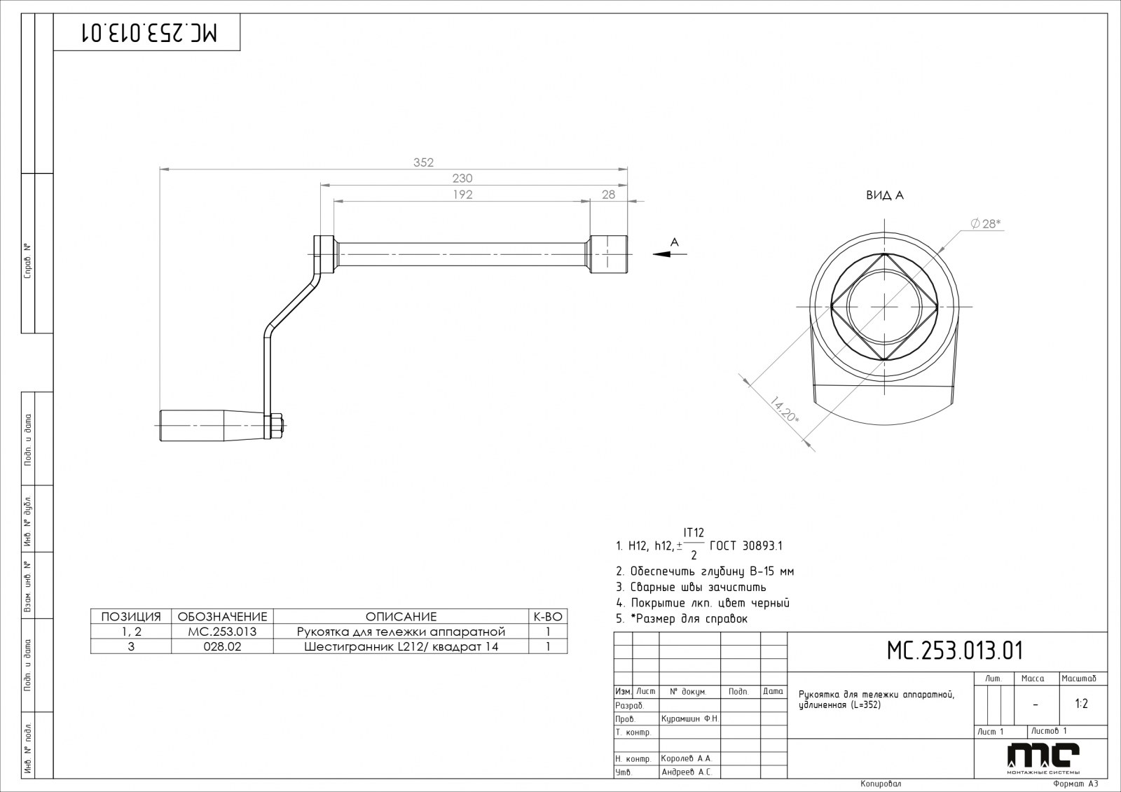
Рукоятка привода тележки удлиненная, тип: МС.253.013.01
Ваша заявка
ООО «Энергетический Торговый Дом»
220002, г. Минск, ул. Киселева 55, офис 11
Телефон:
+375 (29) 766-00-77
Email:
etd@etd.by
Обратная связь
Оставьте заявку и мы свяжемся Вами в самое ближайшее время
Отправить
Прикрепить файл
Copyright ETD 2025
×
Подбор амперметра PA1941
Укажите все необходимые параметры:
Выберите вид сигнала
Переменный ток
Постоянный ток
Выберите тип корпуса
Выберите цифровой интерфейс
Виберите индикатор
Выберите дискретные входы
Выберите релейные выходы
Выберите аналоговые выходы
Выберите напряжение питания
Выберите ном ток или коэф тр-ции
Выберите тип аналогового выхода
Выберите цвет светодиодного индикатора
Выберите погрешность измерения I, %
Заполните необходимые данные:
Объект
Заказчик
*
Контактное лицо/должность
*
Тел
*
Тел/факс
Email
*
Реквизиты, юр. и почтовый адрес
Примечание
Прикрепить файл
Спасибо! Заявка успешно отправлена!
Подобрать еще один товар