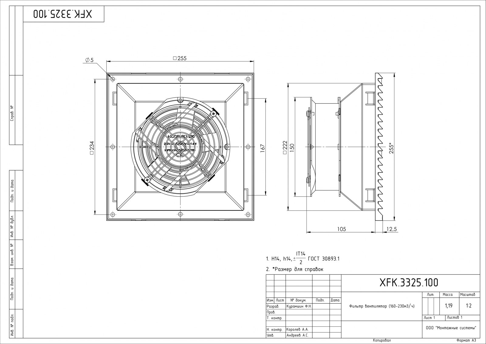
Вентилятор с фильтром, тип: XFK.3325.100

Вентилятор с фильтром XFK.3325.100 (160-230 м3/ч)
1. Напряжение питания, В: 220;
2. Потребляемая мощность, Вт: 41;
3. Номинальный ток, А: 0,28;
4. Уровень шума, дБ: 54;
5. Диапазон рабочих температур, ⁰С: от -10⁰С до +50;
6. Степень защиты: IP54
Обратная связь

Оставьте заявку и мы свяжемся Вами в самое ближайшее время